Blink_STOP_RU – устройство моргающих стоп-сигналов, повышающее безопасность движения.

Тема в разделе "Альтернативное оборудование и Аксессуары", создана пользователем SKov, 13 июн 2013.

  1. Приобрел у SKov коробочный вариант, установка заняла 10 мин. не спеша. Все работает. Поставил на доп. сигнал светодиодный. Классная штучка и реально работающая.

    vsjash, как приобрести такую штуку или схему с прошивкой? цена вопроса?

    Напишите в личку SKov, или на почту, очень отзывчивый товарищ, все объяснит.
    Цена около 1000 р. плюс/минус 100 р. в зависимости от варианта изготовления.
    Высылает почтой.
     
  2. Спасибо за отзыв! Вот еще бы фотку.. Или схему какую.. Установка на конкретную машину - всегда интересно. Тут любой опыт очень полезен.
     
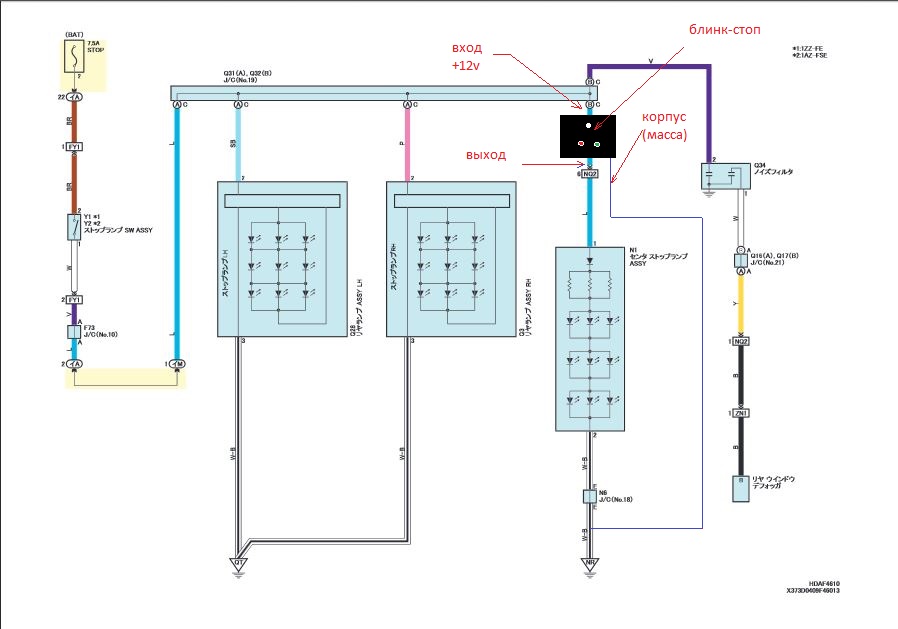
  3. Схема кокретного авто Toyota Isis (основные и доп. сигналы - светодиодные):
    --- Сообщения Объединены, 10 окт 2013 ---
    Чего-то схемка не загрузилась...
    --- Сообщения Объединены, 10 окт 2013 ---
    Снимок.JPG
    --- Сообщения Объединены, 10 окт 2013 ---
    Блинк-стоп (коробочный) стоит на доп.сигнале.
    Запрограммировал, поставил и забыл...
     
  4. Я когда ставил, посмотрел на повторитель (если я правильно понимаю - доп. сигнал), сложновато внутрь будет засунуть, а вот в нишу можно хоть коробку, хоть плату... Я коробочный вариант на двухсторонний скотч в нишу приклеил, думаю будет держаться, посмотрим. А зимой у нас действительно ай-я-яй бывает. (Я в Братске живу). Так что скоро проверим на морозоустойчивость.
     
  5. земляк выходит, да еще и машина такая- же... какую коробочную версию взял? какие настройки?
     
  6. Вот эту:
    --- Сообщения Объединены, 10 окт 2013 ---
    настройки:

    1-ый параметр: количество блинков - 6 блинков
    2-ой параметр: активное время (горит) при блинковании =0.2сек
    3-ий параметр: пассивное время (не горит) при блинковании =0.2сек
    4-ый параметр: запрет блинкования после последнего отпускания тормоза =80 сек (по городу, да и по трассе самое то)
     

    Вложения:

    • _IMG_1598.jpg
      _IMG_1598.jpg
      Размер файла:
      94,7 КБ
      Просмотров:
      1.157
  7. Спасибо за отзывы. Относительно морозоустойчивости - все детали по тех. описанию держат до -40. Для Братска это не так уж и холодно, думаю, бывает и холоднее.. Очень интересно, как себя поведет прибор при -55. Отпишите, мне , пожалуйста!
     
  8. Как сказать, мы же тоже теплокровные :)! А -55 - я даже не припомню чтобы было у нас, ну -40 еще бывает, даже до -47 бывает... Но ниже 30 я лично машину не трогаю. Хлопотно потом будет.
    --- Сообщения Объединены, 11 окт 2013 ---
    Кстати, у меня корейская сигнализация стоит с системой старт-стоп, так вот ни разу за зимой не сбоила. А у нее по паспорту до -20... Да и у японцев, если посмотреть, электроника теплолюбивая, и ничего, работает в наших суровых условиях!
     
  9. Всем привет. Приобрел данный прибор, но... после долгих манипуляций выяснил, что
    На Audi A4
    1. На лягушке находятся три провода, из них выходит провод на котором появляется +12В(но подключал лампочку не горит) после нажатия на педаль. Подключаешь к нему на + прибора, контрольная лампа на приборе мигает согласно настройкам, а стопы нет просто загораются без бликов.
    Поиском выяснил, что с лягушки идет + 12В, 0.037А на блок комфорта, а с блока выходят +12 (при подключении лампочки 21А, горит нормально)каждый в отдельности на стоп левый, правый и доп. стоп. Это для контроля работы каждой лампочки стопов в отдельности. Может кто знает решение.
    Сергей может у тебя есть мысли почему при подключении прибора после лягушки, где малый ток прибор мигает, а лампы стоп просто горят. Если будет прерываться и основная цепь, то и вопрос снимется.
     
  10. А если блинк-стоп сюда подключить - между выходом с блока комфорта и лампами стопов? И заодно проверить (вытащить лампу из стопа) как контроль перегоревшей лампочки будет работать.
     
  11. Я эти проблемы описывал на прошлой странице и задавал вопросы спецам по электрике - никто не откликнулся. А проблема вполне насущная, т.к. не все ставят блинкостоп на доп. сигналы. Некоторые, в нарушение закона, ставят на основные ;)
    Проблема в том, что в современных лягушках сигнал идет не напрямую на лампочки стопов.
    Более того, от лягушки, как мне писали, часто идет НЕСКОЛЬКО проводов неизвестного назначения.
    Тут надо идти от главной функции лягушки. Она реагирует на нажатие педали тормоза. Как она реагирует? Что-то размыкает или , скорее всего, замыкает. Надо эту цепь найти. Если вы нашли провод, который при замыкании-размыкании (просто руками!) вызывает зажигание-потухание лапочек стопа - значит вместо рук в это место можно ставить блинкостоп. Если вы не нашли такого места, то значит блинкостоп вам не поможет.
    2 k357 : Как только у меня появится желающий купить блинкостоп из Москвы, я дам ему ваши контакты - он заберет его у вас. Или шлите мне его обратно - я верну деньги. Или лучше всего ставьте блинкостоп на доп. сигналы, как обычно делают.
    Может, надо посоветоваться в автосервисе, куда этот прибор грамотно поставить.

    Это тоже вариант, но проблема в том, что тогда надо два блинкостопа, т.к. провода из этого комфорта , суда по описанию уважаемого k357, идут отдельные на каждый фонарь. И моргать они будут не синхронно. Нет, это плохой вариант.
    Проблема в том, что мы не знаем, как работает механизм контроля перегоревшей лампочки. Я могу предположить, что через лампочку пропускается небольшой ток. Если он перестает проходить - значит лампочке кирдык. А блинкостоп работает жестко - либо пропускает ток либо нет. Вот и возникает видимость перегорания лампочки. Но это только мои предположения. Надо иметь схему этого комфорта, чтобы понять, что он делает. Или лучше схему электропроводки всей машины. Может, дело и не в комфорте.
    Друзья, но я не могу разбираться в электрике каждой автомашины. Поэтому я описываю работу своего прибора, чтобы вы сами решали, нужно это вам или нет.
    Работа блинкостопа предельно проста: При поступлении напряжения на блинкостоп, он пропускает через себя это напряжение либо сразу, либо вначале прерывисто, а потом непрерывно. Вот и думайте, подходит это вам или нет, и куда вы будете его подключать в своем автомобиле.
    С ув.
    SK
     
  12. Что-то про нарушение закона я впервые слышу. Можно ли поподробнее?

    И еще, может кто может достать видео работы блинкователей на автомобилях, штатно оборудованных им с завода? Просто интересно.
     
  13. Ну, может, это не нарушение, но если все делать по закону, то любое изменение в конструкции автомобиля требует разрешения ГИБДД.
    В и-нете есть много ссылок на правовые ограничения любого "тюнига" автомобиля.
    Вот, например, здесь: http://zakon-auto.ru/info/tuning.php
    Или вот типичный текст :
    Изменения в конструкции автомобиля

    Переоборудование

    Определением термина «изменение конструкции ТС» (переоборудование) предусмотрено, что изменением конструкции ТС является исключение предусмотренных или установка не предусмотренных конструкцией конкретного (базового) ТС составных частей и предметов оборудования, влияющих на уровень обеспечения безопасности дорожного движения (в том числе связанные с адаптацией для управления водителями-инвалидами а также с установлением дублирующих органов управления, которые предназначены для обучения вождению). Понятие «изменение конструкции ТС» касается только тех ТС, которые зарегистрированы в ГИБДД. Что касается изменений, вносимых в конструкцию до стадии регистрации ТС, то на них распространяется требование Правил по проведению работ в системе сертификации механических транспортных средств.
    Недопустимо вносить изменения в конструкцию ТС в результате, которых изменяется или уничтожается маркировка, нанесённая на ТС организациями-изготовителями, имеются запреты или ограничения, наложенные судом, следствием, таможенными органами, органами налоговой полиции, органами социальной защиты населения.
    Консультации по вопросам внесения изменений в конструкцию ТС, сверка номерных агрегатов осуществляется в ГИБДД по месту учета ТС.
    По результатам рассмотрения заявления подразделением ГИБДД принимается соответствующее решение.

    Для получения решения, собственник ТС представляет следующие документы:
    • Заявление (установленной формы) с отметкой о сверке номерных агрегатов;
    • Документ, удостоверяющий личность;
    • Документ, подтверждающий право владения, или пользования и (или) распоряжения транспортным средством;
    • ПТС и свидетельство о регистрации транспортного средства (технический паспорт, технический талон);
    • Заверенные в установленном порядке копии сертификатов соответствия на используемые для переоборудования составные части и предметы оборудования, запасные части и принадлежности (если они подлежат обязательной сертификации) и разрешения Гостехнадзора, Котлонадзора, Минздрава и других организаций, если подлежат учёту (краны автомобильные, автогидроподъёмники, цистерны, работающие под давлением, и т.п.);
    • Копию сертификата соответствия организации, в которой будут производиться работы по внесению изменений в конструкцию;
    • Документы, подтверждающие законность приобретения составных частей и предметов оборудования (справка-счёт, договор купли-продажи, приказ по предприятию или организации о реализации и т.д.).
     
  14. Как писал выше. С блока комфорта выходят три провода на каждую лампу стоп(лев.прав.доп.стоп) брал с провода правого стоп +, подключал блик стоп и на дополнительную лампочку все работает.
    SKov, сегодня подключил на доп. стоп резал провод все работает, но он у меня очень слабо виден днем так что это не выход. Да комфорт молчит что не работает лампа доп. стоп, значит с этим все в порядке. Вопрос к тебе другой. Я уже упоминал что на лягушке есть три провода; один вход +12; второй при нажатие на педаль идет +12 на блок комфорта, а вот третий идет на замок у меня на кнопку старт( коробка автомат) для запуска нажать педаль тормоза. Сама лягушка( разбирал) работает по принципу геркон только там электронные детальки( нажал магнит отошел) но вопрос в том что при подключении блика к лягушки между комфортом сам блик мигает а вот стопы просто загораются. Подумай почему блик срабатывает именно так.
    Да блик я оставлю себе, буду вместе с тобой эксперементировать. Найдешь решение я сам что-нибудь
    перепояю.
     
  15. "Все уже украдено до нас", как говорится в одном классическом фильме.
    Ползая по и-нету в поисках вариантов блинкователей наткнулся на интересный сайт, где продаются разные блинкователи. Оказалось, что посредине штатовской Техасщины с 2004 года продают похожие игрушки. И вот, самый дорогой вариант штатовского блинкователя (39.95долл.) оказался родным братом нашего БлинкоСтопа. Братик, конечно, убогий, без всяких настроек, запрет на блинкование жестко задан на уровне 8 секунд, но в принципе вполне "конкретный" блинкователь. [​IMG]
    Прямо русскими пикселами описан наш принцип блинкования с запретным интервалом:
    Blinking Smart Stop Plus 3 Delay is the same as the Blinking Smart Stop Plus 3 unit but with a "Delay-Repeat" circuit built in, Delay version was specially designed for those drivers who might not want to continuously flash their third brake light, when caught in bumper to bumper traffic. Applying your brakes will cause your existing 2 main brake lights R/L and the 3rd brake light to blink rapidly 6 times and then stay on solid as long as you have your foot on the brake pedal Once you have applied your brakes for the first time causing your brake light to flash and then turn solid, touching your brakes again within 8 seconds will cause your all the brake light to turn on normally without flashing. In other words, you must have your foot off the brakes for more than 8 seconds before the Blinking Smart Stop Plus 3 Delay will reset and cause your third brake light to flash again.
    Подробности можно посмотреть здесь:http://www.kahtec.com/products.htm
    Там, кстати, есть схемы включения их прибора, но без бутылки там не разобраться ;)
     
    • Нравится Нравится x 1
  16. Несколько дней назад вышла новая прошивка для Блинкостопа.
    Поэтому еще раз инструкция по программированию Блинкостопа.
    1) Для входа в программирование надо
    а) подать питание на блинкостоп (плюс на красный провод, минус - на одинокий провод)
    б) Нажать на 4-5 секунд на кнопку, дождаться мелкого частого моргания светодиода, отпустить кнопку.
    в) Дождаться постоянного свечения светодиода - приглашения к вводу очередного параметра.
    г) после ввода параметра Блинкостоп показывает введенное значение в виде морганий светодиода.
    ==============
    Всего вводится 4 параметра.
    1) Количество блинков при нажатии на тормоз. (По умолчанию - 7)
    2) Длительность активной фазы моргания (стопсигнал светит). Каждая единица этого параметра соответствует 0.1 сек.
    Исходная установка - 0.2сек
    3) Длительность пассивной фазы моргания (стопсигнал не светит). Каждая единица этого параметра соответствует 0.1 сек.
    Исходная установка - 0.2сек
    4) Запрет на блинкование. Это время после последнего отпускания тормоза, после которого происходит блинкование.
    Если вы нажали на тормоз раньше этого времени, то блинкования не происходит.
    Исходная установка - 64 сек.
    ===============
    Если первый параметр имеет значение 1 или 2, то блинкование запрещено совсем.
    Если четвертый параметр больше 10, то время запрета блинкования равно нулю,
    т.е. любое включение тормоза будет сопровождаться блинкованием.
    ----------
    Есть две версии прошивки.
    По дефолту устанавливается версия, в которой единица четвертого параметра соответствует 16 сек.
    По просьбе пользователя можно установить вторую версию с минимальным квантом времени
    для четвертого параметра - 10сек.
    Сейчас максимальное время запрета - в районе 120-140 сек.
    Эти экземпляры скоро кончатся, и будет идти версия блинкостопа с максимальным временем в 96 секунд.
    -------------
    Рекомендуется ставить блинкостоп на доп. стоп.сигналы
    Если вы планирует ставить их на основные стопы - подумайте, не будет ли конфликтов
    с ,например, системой проверки перегорания лампочек на вашем авто.
    Подойдет или нет блинкостоп для ваших основных стопов - это полностью ваша проблема.
    =======
    Проверка работоспособности блинкостопа.
    Берете коробочку блинкостопа, красный провод подключаете к плюсу любого источника 9-15 вольт (можно прямо к аккумулятору авто),
    одинокий провод - к земле (минусу) этого источника. Больше ничего можно не подключать.
    Светодиоды на коробочке должны загореться, а один из них - блинковать,
    если время от последнего подключения было больше времени запрета.
    Если меньше, то при подключении оба светодиода буду просто гореть.
    Вроде все.
    И для тех, кому лучше один раз увидеть, чем десять раз прочесть - обучающий видеоролик.

     
  17. Из письма клиента:
    -----------
    Огромное спасибо SKov ... давно был установлен приборчик под названием Blink STOP RU – моргающие стоп-сигналы.
    Работает по времени уже около пяти месяцев и нареканий нет. Еще раз СПАСИБО.

     
  18. Сегодня тоже установил Blink STOP RU на автомобиль Mercedes Benz w124.
    Установил на выходе с "лягушки" т.е. на основные стопы, так как нет доп стоп сигнала.
    Настройки оставил стандартные, всё работает отлично. Видео выкладывать думаю нет смысла.
    И самое главное бортовик не ругается на не исправность ламп освещения.
    Так что можете уверенно установить на данную модель авто без опаски.
    Выражаю огромную благодарность Сергею.
     
    #38 SpectOR, 24 янв 2014
    Последнее редактирование: 24 янв 2014
  19. Спасибо!
     
    • Нравится Нравится x 1
Яндекс.Метрика Рейтинг@Mail.ru